放大线路在我们日常中也超级常见,列如我们的音响、耳机、助听器等等,其主要的功能就是能够把微弱的信号进行放大作用,实现这一个功能的关键器件叫做放大器,而由这种功能组成的线路叫做放大线路。
放大器有交流放大器和直流放大器这两类。
交流放大器又可按频率分为 低频、中源和高频;接输出信号强弱分成电压放大、功率放大等。此外还有用集成运算放大器和特殊晶体管作器件的放大器。我们日冲中常常遇到的也只是少数几种较为典型的放大电路。
我们在解读放大电路图时要按照“逐级分解、抓住关键、细致分析、 全面综合”的原则和步骤进行。
第一把整个放大电路按输入、输出逐级分开,然后逐级抓住关键进行分析弄通原理。
放大电路有它本身的特点:一是有静态和动态两种工作状态,所以有时往往要画出它的直流通路和交流通路才能进行分析;二是电路往往加有负反馈,这种反馈有时在本级内,有时是从后级反馈到前级,所以在分析这一级时还要能“瞻前顾后”。
下面我们介绍几种常见的低频放大电路:
所谓低频电压放大器是指工作频率在 20 赫~ 20 千赫之间、输出要求有必定电压值而不要求很强的电流的放大器。
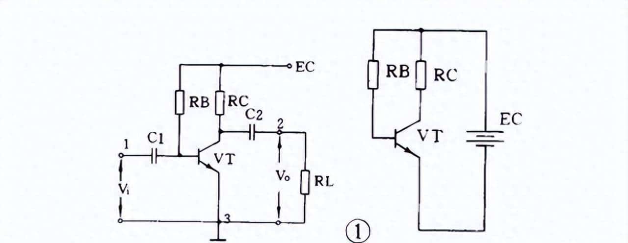
下图所示为共发射级线路:

图中C1 是输入电容, C2 是输出电容,三极管 VT 就是起放大作用的器件, RB 是基极偏置电 阻 ,RC 是集电极负载电阻。1 、 3 端是输入, 2 、 3 端是输出。3 端是公共点,一般是接地的,也称“地”端。
电路的特点是电压可以放大倍数从十几到一百多,输出电压的相位和输入电压是相反的,性能不够稳定,可用于一般场合。
下图为分压式偏置共发射极放大线路:

从线路中,我们可以看到基极电压是由 RB1 和 RB2 分压取得的,所以称为分压偏置。发射极中增加电阻 RE 和电容 CE , CE 称交流旁路电容,对交流是短路的;RE 则有直流负反馈作用。所谓 反馈是指把输出的变化通过某种方式送到输入端,作为输入的一部 分。如果送回部分和原来的输入部分是相减的,就是负反馈。图中基 极真正的输入电压是 RB2 上电压和 RE 上电压的差值,所以是负反馈。由于采取了上面两个措施,使电路工作稳定性能提高,是应用最广的放大电路。
下图为共集电极放大线路:

这个图中,晶体管真正的输入是 V i 和 V o 的差值,所以这是 一个交流负反馈很深的电路。由于很深的负反馈,这个电路的特点是:电压放大倍数小于 1 而接近 1 ,输出电压和输入电压同相,输入阻 抗高输出阻抗低,失真小,频带宽,工作稳定。它常常被用作放大器的输入级、输出级或作阻抗匹配之用。